射频拉远,跟踪遥测及控制,雷达电子对抗
一、宽带RF直调DFB激光器的定义
1、宽带RF直调DFB激光器,是一种集成了射频调制功能的分布式反馈(Distributed Feedback, DFB)激光器。它结合了DFB激光器的稳定性和射频调制的灵活性,能够在宽频率范围内实现高效、稳定的光信号调制。这种激光器通过内置的衍射光栅,选择性地放大并输出特定波长的光,同时,通过射频信号的直接调制,可以动态地改变光信号的强度、频率或相位,从而满足各种复杂通信和传感应用的需求。
2、宽带RF直调DFB激光器Inno-8102 DFB是采用InGaAs/InP制作的MQW DFB激光器组件,集成了激光器组件、光隔离器,TEC,热敏电阻、监控光电二极管和宽带直流偏置,采用气密性7-PIN封装。
二、宽带RF直调DFB激光器特性
带宽
低噪声
三、宽带RF直调DFB激光器最大值额定参数
| 参数 | 符号 | 条件 | 最小值 | 最大值 | 单位 |
| LD反向电压 | Vr | - | - | 2 | V |
| MPD反向电压 | Vpd | - | - | 20 | V |
| 储存温度 | Ts | - | -55 | +85 | ℃ |
| 工作温度 | To | - | -40 | +70 | ℃ |
| TEC电流 | |tec | - | - | 1.5 | A |
| RF输入最大功率 | Pin | - | - | 20 | dBm |
宽带RF直调DFB激光器性能参数
| 参数 | 符号 | 条件 | 最小值 | 典型值 | 最大值 | 单位 |
| 阈值电流 | Ith | CW | - | - | 40 | mA |
| 工作电流 | Iop | CW | - | 60 | 110 | mA |
| 输入阻抗 | ZIN | IF=Iop | - | 50 | - | Ω |
| 热敏电阻 | RTH | @+25℃ | 9.5 | 10 | 10.5 | kΩ |
| 中心波长 | λc | CW,IF=Iop | - | 1310/1550 | - | nm |
| 输出光功率 | PO | CW,IF=Iop | - | 10 | - | mW |
| 边模抑制比 | SMSR | CW,IF=Iop | 35 | - | - | dB |
| 相对强度噪声 | RIN | 100MHz-18GHz | - | -150 | - | dB/Hz |
| 监控电流 | Im | - | 50 | — | - | uA |
| 光隔离 | ISO | - | - | 32 | - | dB |
| 带宽 | S21 | - | 18 | — | - | GHz |
| 回波损耗 | S11 | - | - | -10 | - | dB |
| 输入IdB压缩点 | P1dB | - | - | 15 | 20 | dBm |
| 光纤类型 | 单模光纤SMF28e;直径900μm;光纤长度: 1m | |||||
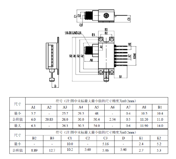
产品尺寸


测试曲线

四川梓冠光电宽带RF直调DFB激光器采购信息
| 波长 | 调整带宽 | 光纤类型 | 连接头 |
| 27-37:1270-1370nm C16-C62:ITU波长通道 XX=XX | 06-6GHZ 12-12GHZ 18-18GHZ | SM=单模光纤 PM=保偏光纤 | FC=FC/APC |
宽带RF直调DFB激光器拓展资料:
一、宽带RF直调DFB激光器的工作原理
宽带RF直调DFB激光器的工作原理基于DFB激光器的光栅反馈机制和射频信号的调制原理。在DFB激光器中,光栅结构对光波进行周期性调制,使得只有满足布拉格波长条件的光波才能在腔内建立起稳定的振荡。当射频信号加载到激光器上时,它会引起激光器内部电场的变化,进而改变有源层中载流子的分布和复合速率,从而实现对光信号的调制。
具体来说,射频信号通过外部电路输入到激光器中,与激光器的直流偏置相结合,共同控制有源层中的载流子浓度。当射频信号的频率和幅度发生变化时,载流子的复合速率也会相应改变,导致光信号的强度、频率或相位发生调制。这种调制过程具有高速、低损耗和宽带宽的特点,使得宽带RF直调DFB激光器在高速通信和精密传感领域具有显著优势。
二、宽带RF直调DFB激光器的应用范围
宽带RF直调DFB激光器在多个领域展现出了广泛的应用前景。在光通信系统中,它作为高速数据传输的关键组件,能够支持更高的传输速率和更远的传输距离。在微波光子学领域,宽带RF直调DFB激光器被用于实现微波信号的光域处理和传输,为雷达、电子对抗和卫星通信等应用提供了强有力的技术支持。
此外,宽带RF直调DFB激光器还在光纤传感系统中发挥着重要作用。通过调制光信号的强度和相位,可以实现对温度、压力、应变等物理量的高精度测量。这种传感器具有体积小、重量轻、抗电磁干扰和易于集成等优点,被广泛应用于航空航天、石油勘探、环境监测和医疗诊断等领域。
三、四川梓冠光电宽带RF直调DFB激光器的生产制造优势
1、先进的生产工艺:我们采用先进的生产工艺和设备,确保产品的稳定性和可靠性。通过精确控制生产过程中的各项参数,我们可以实现产品性能的最优化。
2、高质量的材料选择:我们选用高品质的材料和组件,确保产品的性能和寿命。这些材料具有优异的物理和化学性能,能够在恶劣的工作环境中保持稳定的性能。
3、定制化的解决方案:我们提供定制化的解决方案,根据客户的具体需求进行产品设计和生产。这种灵活性使得我们能够满足不同领域和不同应用场景的需求。
4、完善的售后服务:我们提供完善的售后服务和技术支持,确保客户在使用过程中得到及时、专业的帮助。我们的销售团队和技术支持团队随时准备为客户解答疑问,提供全方位的技术支持。