三、机械式光开关1x2的技术参数
参数 单位 规格 波长 nm 1260-1650 插入损耗(最大值) dB ≤0.8 回波损耗 dB ≥50 可重复性 dB ≤ 0.02 串扰 dB ≥50 偏振相关损耗 dB ≤ 0.05 温度相关损耗 dB ≤ 0.25 工作温度 ℃ -20~70 储存温度 ℃ -40~85 切换时间 ms ≤5 使用寿命 Cycle ≥107 光功率 mw ≤500 控制电压 V 3 or 5 规格 锁定/非锁定 光纤类型 单模,G657 尾纤长度 1±0.05 M 连接器类型 LC/APC 注意 1.损耗基于23℃、中心波长±50nm的测试结果。多频带增加0.2dB。 2.重复性是在100次循环后定义的. 3.不包括连接器,连接器的插入损耗增加0.2dB.
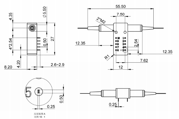
尺寸图

引脚定义

Type Status Optical Path Electric Drive Status Sensor D1x2 Pin 1 Pin 5 Pin 6 Pin 10 Pin 2-3 Pin 3-4 Pin 7-8 Pin 8-9 Latching A C1→O1, C2→O2 -- -- GND V+ Close Open Open Close B C1→O3, C2→O4 V+ GND -- -- Open Close Close Open Non-Latching A C1→O1, C2→O2 -- -- -- -- Close Open Open Close B C1→O3, C2→O4 V+ -- -- GND Open Close Close Open
电流和电阻参数
Specification Voltage Current Resistance 5V Latching 4.5~5.5V 36~44mA 125Ω 5V Non-Latching 4.5~5.5V 26~32mA 175Ω
四川梓冠光电机械式光开关1X2订货信息
| A | B | C | D | E | F | G | H |
| Port type | Fiber Type | Control Voltage | Test Wavelength | Switch Type | Tube Type | Fiber Length | Connector |
| 1×1 1×2 2×2B 2x2F D1×2 D2×2B | 单模 保偏 多模 | 3:3V 5:5V | 850:850nm 1310:1310nm 1550:1550nm 1315:1310&1550nm | L:Latching N:Non-Latchig | 25:250um 90:900um Others | 05:0.5m±5cm 10:1.0m±5cm 15:1.5m±5cm Others | OO: None FP: FC/PC FA: FC/APC SP: SC/PC SA: SC/APC LP: LC/PC LA: LC/APC X: Others |
机械式光开关1x2拓展资料
一、机械式光开关1x2的工作原理
机械式光开关1x2的工作原理基于精密的机械结构设计。当外部控制信号(如电信号)作用于开关时,会驱动内部的机械部件(如微型马达或弹簧片)发生移动,从而改变光路的走向。具体来说,当输入光信号进入开关后,根据控制信号的状态,光信号会被引导至两个输出端口中的一个,实现光信号的切换和分配。这种切换过程通常具有极快的响应时间和极低的损耗,保证了光信号的高质量传输。
二、机械式光开关1x2的应用范围
机械式光开关1x2在光通信领域具有广泛的应用前景,具体体现在以下几个方面:
1、光网络保护与恢复:在光网络中,机械式光开关1x2可用于实现光信号的快速切换和保护。当主路由出现故障时,开关能够迅速将光信号切换至备用路由,确保通信的连续性和稳定性。这种保护机制对于提升网络可靠性和生存能力具有重要意义。
2、光信号路由与分配:在复杂的光网络中,机械式光开关1x2能够灵活地在多个输出端口之间选择性地传输光信号,实现光信号的精确路由和分配。这对于构建高效、灵活的光网络架构具有重要意义。
3、光信号测试与监测:在光纤测试系统和监测系统中,机械式光开关1x2也发挥着重要作用。它可以将待测试或监测的光信号引入测试仪器或监测设备中,方便对光信号进行精确测量和分析。同时,其高稳定性和可靠性也保证了测试结果的准确性和可靠性。
4、光网络优化与升级:随着光通信技术的不断发展,机械式光开关1x2在光网络优化和升级中也扮演着重要角色。它可以根据网络需求动态调整光信号的传输路径和功率分配,实现光网络的智能化管理和优化。