三、1x2 2x2磁光开关的技术参数
| 参数 | 单位 | 参数值 | 备注 |
| 波长范围 | nm | 1525~1565 | 其他波段可选 |
| 插入损耗 | dB | 0.7(Typ.); 1.2 (Max.) | |
| 偏振相关损耗 | dB | 0.1 (Typ.); 0.2 (Max.) | |
| 回波损耗 | dB | 40 | |
| 串扰 | dB | 40 | 典型值 >50dB |
| 偏振模色散 | ps | 0.2 | |
| 重复性 | dB | +/- 0.01 | |
| 使用寿命 | cycles | >100Billions | |
| 开关时间 | μs | 10~30/200~400 | 其他速度可选 |
| 储存温度 | P0PC | -40~85 | |
| 工作温度 | P0PC | -5~70 | |
| 最大光功率 | mW | 500 | 大功率可选 |
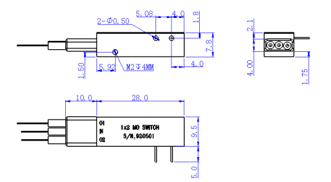
| 尺寸(长×宽×高) | mm | 28 × 9.5 × 7.8 |
尺寸图

电气规格
| 参数 | 规格 | 超快 | 单位 |
| 开关电压 (VCC) | 5 (±5%) | 6.0~7.0 | V |
| 开关电流 | < 100 | < 350 | mA |
| 驾驶模式 | 电压或脉冲驱动 | 脉冲驱动 | NA |
| 脉冲宽度(典型) | 1000 | 20 | μs |
| 切换频率 | <800 | < 3000 | Hz |
开关状态表对应的引脚控制信号
| 引脚1 | 引脚2 | 光输出端口 |
| 1(电压 = VCC) | 0(电压=GND) | IN OUT1 |
| 0(电压=GND) | 1(电压 = VCC) | IN OUT2 |
| 1(电压 = VCC) | 0(电压=GND) | OUT2 IN |
| 0(电压=GND) | 1(电压 = VCC) | OUT1 IN |
四川梓冠光电1x2 2x2 磁光开关订货信息
| 工作模式 | 开关速度 | 工作波长 | 光纤 | 光纤长度 | 连接器类型 |
| 1.常规 2.双向 | 1.200~400us 2.10~30us 3. Others | 1.C Band 1525~1565 nm 2. L Band 1565-1615 nm 3. C & L Band 4. Others | 1.250μm光纤 2. 900μm光纤 3. Others | 1.0.5 +/- 0.1 m 2. 1.0 +/- 0.1 m 3. Others | 0.无接头/No 1. FC/UPC 2. FC/APC 3. SC/UPC 4. SC/APC 5. Others |
1x2 2x2磁光开关拓展资料
一、1x2 2x2磁光开关的工作原理
1x2与2x2磁光开关的工作原理主要基于法拉第旋光效应和晶体的双折射特性。当光信号通过磁光晶体时,外加磁场会改变光信号的偏振状态,从而实现光路的切换。具体来说,当外加磁场的方向改变时,磁光晶体会对入射光的偏振面产生不同的旋转角度,导致光信号在输出端口的选择性传输。
在1x2磁光开关中,通过精确控制外加磁场的方向和强度,可以使得光信号从输入端口选择性地传输到其中一个输出端口。而在2x2磁光开关中,通过改变外加磁场的方向和强度,可以实现光信号的交叉或直通传输,满足更复杂的光网络需求。
二、1x2 2x2磁光开关的应用范围
1、光通信系统:1x2与2x2磁光开关在光通信系统中具有广泛的应用。它们可以用于光信号的路由和切换,提高光网络的灵活性和可扩展性。此外,磁光开关还可以用于光网络的保护和恢复,确保光信号的稳定传输。
2、光纤传感系统:磁光开关在光纤传感系统中也发挥着重要作用。它们可以用于光信号的调制和解调,提高传感器的灵敏度和准确性。此外,磁光开关还可以用于光纤传感器的校准和测试,确保传感器的稳定性和可靠性。
3、光信号处理系统:在光信号处理系统中,1x2与2x2磁光开关可以用于光信号的滤波、放大和衰减等操作。通过精确控制光信号的传输路径和偏振状态,可以实现复杂的光信号处理功能。
4、高速保护系统:磁光开关具有极快的切换速度,因此可以用于高速保护系统。当光网络中出现故障时,磁光开关能够迅速切换光信号的传输路径,确保光信号的连续传输和网络的稳定性。