| 参数 | 单位 | 规格 | 备注 | |
| 单向 | 双向 | |||
| 波长范围 | nm | 1550±20 | 其他波段可选 | |
| 插入损耗 | dB | 0.9(典型值);1.3(最大值) | 1.2(典型);1.5(最大值) | |
| 偏振相关损耗 | dB | 0.15(典型值);0.30(最大值) | 0.30(典型值),0.40(最大值) | |
| 回波损耗 | dB | ≥40 | ≥30 | |
| 串扰 | dB | ≥35 | ≥30 | |
| 可重复性 | dB | +/-0.01 | ||
| 耐久性 | Cycles | >100 Billions | ||
| 开关速度 | us | 常规(200~400);超快(10~30) | ||
| 最大光功率 | mW | 500 | ||
| 储存温度 | °C | -40~85 | ||
| 工作温度 | ℃ | -5~70 | ||
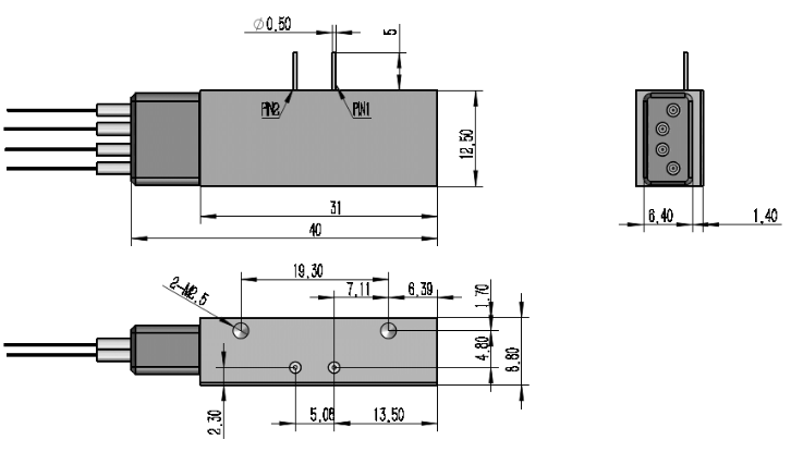
| 尺寸(长x宽x高) | mm | 31×8.8×12.5 | ||
| 注:所有规格均基于无连接器的设备,并保证波长、偏振和温度。 | ||||
四、2x2反射式磁光开关尺寸图

五、2x2反射式磁光开关电气规格
| 参数 | 规格 | 单位 | |
| 定时的 | 超快的 | ||
| 开关速度 | 200~400 | 10~30 | μs |
| 开关电压(VCC) | 5(+/-5%) | 6.0~7.0 | V |
| 开关电流 | <200 | <500 | mA |
| 脉冲宽度(典型) | 1000 | 20 | μs |
| 开关频率 | <800 | <3000 | Hz |
六、引脚定义
单向:
| 开关状态 | Pin1 | Pin2 | 光输出端口 |
| 状态“0” | 1(电压=VCC) | 0(电压=GND) | IN1→ OUT 1;IN2 →OUT 2 |
| 状态“1” | 0(电压=GND) | 1(电压=VCC) | IN1 →OUT 2;IN2 →OUT 1 |
双向:
| 开关状态 | Pin1 | Pin2 | 光输出端口 |
| 状态“0” | 1(电压=VCC) | 0(电压=GND) | IN1↔ OUT 1;IN2 ↔OUT 2 |
| 状态“1” | 0(电压=GND) | 1(电压=VCC) | IN1↔OUT 2;IN2 ↔OUT 1 |
七、四川梓冠光电2x2反射式磁光开关订购信息
| 开关速度 | 工作波长 | 光纤 | 光纤长度 | 连接器类型 |
| 1.200~400us 2.10~30us 3.Others | 1.CBand1525~1565 nm 2.L Band 1565-1615 nm 3.C&L Band 4.Others | 1.250μm fiber 2.900μm fiber 3.Others | 1.0.5+/-0.1 m 2.1.0+/-0.1 m 3.Others | 0.No Connector 1.FC/UPC 2.FC/APC 3.SC/UPC 4.SC/APC 5.LC/PC 6.MU/PC 7.Others |