三、1x4 PM磁光开关技术指标:
| 参数 | 单位 | 规格 | 备注 | |
| 单向 | 双向 | |||
| 波长范围 | nm | 1525~1565 | ||
| 插入损耗 | dB | 1.0(典型值);1.5(最大值) | 1.0(典型值);1.8(最大值) | |
| 回波损耗 | dB | ≥40(典型值50) | ≥30(典型值40) | |
| 串扰 | dB | ≥30(典型值40) | ≥30(典型值40) | |
| 波长相关损耗 | dB | ≤0.3 | ||
| 温度相关损耗 | dB | ≤0.3 | ||
| 可重复性 | dB | +/-0.01 | ||
| 耐久性 | cycles | 常规 (>100Billions), 超快(>1000Billions) | ||
| 开关速度 | μs | 常规(50~200),超快(2~20) | ||
| 储存温度 | °C | -40~85 | ||
| 工作温度 | °C | -5~70 | ||
| 最大光功率 | mW | 500 | ||
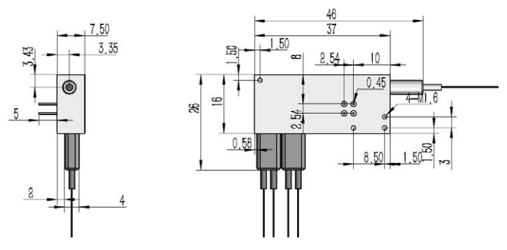
| 尺寸(长x宽x高) | mm | 37×16x7.5 | ||
四、1x4 PM磁光开关尺寸图

五、1x4 PM磁光开关电气规格
| 参数 | 规格 | 单位 | |
| 定时的 | 超快的 | ||
| 开关速度 | 50~200 | 2~20(典型值5) | μs |
| 开关电压(VCC) | 3(+/-5%) | 3~7.5 | V |
| 开关电流 | <100 | <350 | mA |
| 驱动方式 | 电压或脉冲驱动 | 脉冲驱动 | NA |
| 脉冲宽度(典型) | 300(典型值);500(最大值) | 20 | μs |
| 开关频率 | <1000 | <3500 | Hz |
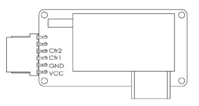
六、引脚定义
双向:
| Pin No. | Pin1 | Pin2 | Pin3 | Pin4 | Pin5 | Pin6 | Pin7 | Pin8 |
| IN ↔OUT1 | + | - | + | - | - | - | - | - |
| IN ↔OUT2 | - | + | - | + | - | - | - | - |
| IN ↔OUT3 | + | - | - | + | - | - | - | - |
| IN ↔OUT4 | - | + | + | - | - | - | - | - |
单向:
| Pin No. | Pin1 | Pin2 | Pin3 | Pin4 | Pin5 | Pin6 | Pin7 | Pin8 |
| IN →OUT1 | + | - | + | - | ||||
| IN →OUT2 | - | + | - | + | ||||
| IN →OUT3 | + | - | - | + | ||||
| IN →OUT4 | - | + | + | - |
七、1x4 PM磁光开关模块电气参数

八、1x4 PM磁光开关控制逻辑
| 通道 | Ctr1 | Ctr2 | remark |
| IN→OUT1 | 0 | 0 | 5V TTL |
| IN→OUT2 | 1 | 1 | 5V TTL |
| IN→OUT3 | 0 | 1 | 5V TTL |
| IN→OUT4 | 1 | 0 | 5V TTL |
九、四川梓冠光电1x4 PM磁光开关订购信息
| 工作模式 | 开关速度 | 波长 | 光纤类型 | 轴类型 | 光纤 | 光纤长度 | 连接器类型 |
| 1、双向 2、常规 | 1.50~200us 2.2~20us 3. Others | 1.CBand 2.L Band 3.C & L Band 4.Others | 1.PM15 2.PM98 3.PM13 4.Others | 1.B(Both of axis working) 2.F(Fast axis blocked) | 1.250μm fiber 2.900μm fiber 3.Others | 1.0.5+/-0.1 m 2.1.0+/-0.1 m 3.Others | 0.None 1.FC/UPC 2.FC/APC 3.SC/UPC 4.SC/APC 5.LC/PC 6.MU/PC 7.Others |