二、小型可调光滤波器40nm的特点:
热稳定性及重复性高
使用寿命长
光学性能表现好
插入损耗低、尺寸小
带VOA(可调光衰减器)功能
3dB带宽1.0-1.4nm(可定制)
可定制化(波长与衰减范围)
三、小型可调光滤波器40nm的应用领域:
光信道性能监测
光谱分析
ROADM
信号跟踪
四、小型可调光滤波器40nm的参数:
| 参数 | 指标 | 单位 | ||
| 最大值 | 最小值 | |||
| 波长范围 | O-Band | 1290 | 1330 | nm |
| C-Band | 1528 | 1565 | nm | |
| L-Band | 1575 | 1610 | nm | |
| 插入损耗(IL) | <3.5 (typical<2.5) | dB | ||
| 响应时间 | ≤20 | ms | ||
| 波长相关损耗(WDL)@0dB | <1.0 | dB | ||
| 中心频率偏振相关损耗@0dB | <0.5 | dB | ||
| 带宽@3dB | 1.0-1.4 | nm | ||
| 带宽@20dB | 2.6~3.6 | nm | ||
| 回波损耗(RL) | >40 | dB | ||
| VOA 类型 | Dark or Bright | |||
| VOA 衰减范围 | >35 | dB | ||
| 侧峰抑制比 | ≤30 | dB | ||
| 寿命 | 1*10^9 | cycles | ||
| 最大输入光功率 | 20 | dBm | ||
| 工作温度 | -5 | 70 | ℃ | |
| 存储温度 | -40 | 85 | ℃ | |
| ESD 阈值(HBM) | 500 | V | ||
| DC 驱动电压 | 0~50 | V | ||
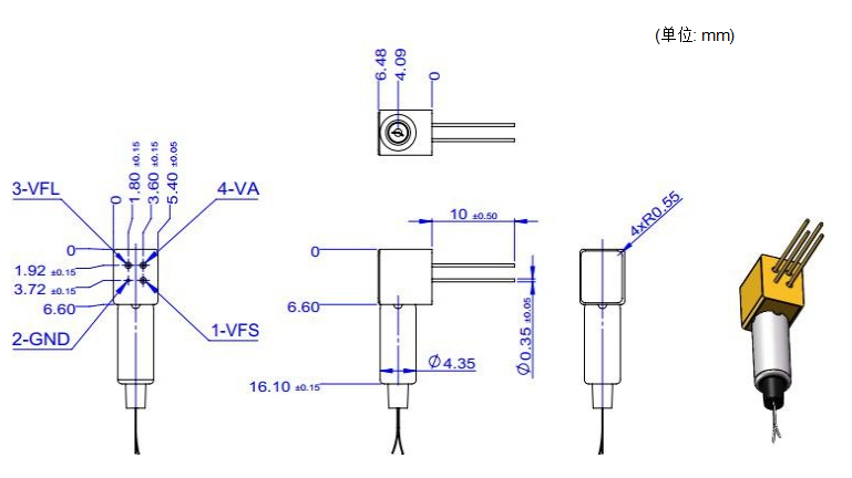
机械尺寸图

管脚定义
| 定义 | 描述 | 说明 | |
| PIN1 | VFS | 加电用于短波一侧滤波 | 1、以C 波段TOF 为例:PIN1&PIN2 供电时,产品工作在 1528nm-1550nm 波段; 2、加电范围:0-50V |
| PIN2 | GND | 接地 | |
| PIN3 | VFL | 加电用于长波一侧滤波 | 1、以C 波段TOF 为例:PIN3&PIN2 供电时,产品工作在 1550nm-1565nm 波段; 2、加电范围:0-50V |
| PIN4 | VA | 加电用于控制可调光衰减器VOA 功能 | 1、PIN4&PIN2 供电时, 产品实现VOA功能; 2、可以与 VFS 及VFL 其中一个pin 脚同时供电; 3、加电范围:0-50V |
| 注意事项: | 1、PIN1 和PIN3 不能同时供电; 2、保存与操作产品时, 请注意静电保护; 3、产品损坏电压为 65V; | ||
五、四川梓冠光电小型可调光滤波器订购信息
例如:ZG-A-B-C-D-E (小型可调谐光滤波器)
| ZG | A | B | C | D | E |
| 可调谐范围 | VOA 类型 | 光纤类型 | 光纤长度 | 连接器类型 | |
13:1290-1320nm 15:1528-1565nm 16:1575-1610nm | DA:Dark BR:Bright | SM:SM,9/125 X:Others | 05:0.5m±5cm 10:1.0m±5cm 15:1.5m±5cm X:Others | OO:None FP:FC/PC FA:FC/APC SP:SC/PC SA:SC/APC LP:LC/PC LA:LC/APC X:Others |