同轴激光器(1550nmjc聚彩TEC)产品具有1550nm直接调制,采用冷却DFB-LD作为发射机、低噪声、低失真、低阈值电流、内置InGaAs/PIN监视器、高可靠性,使用寿命长等特性
| 参数 | 符号 | 参数值 | 单位 | 备注 |
| 反向电压(LD) | Vr(LD) | 2 | V | CW |
| 正向电流(LD) | If(LD) | 120 | mA | CW |
| 反向电压(MPD) | Vr(PD) | 15 | V | CW |
| 正向电流(MPD) | If(PD) | 2 | mA | CW |
| 储存温度 | Tstg | -40~ +85 | ℃ | - |
| 工作温度 | Topr | -20~ +80 | ℃ | - |
| 铅焊接温度/时间 | Ts | 260/10 | ℃/S | - |
| 光纤抗曲强度 | - | 1 | kgf | - |
| 光纤弯曲半径 | - | 60 | mm | - |
四、同轴激光器(1550nmTEC)光电特性(Tc=25℃)
| 参数 | 符号 | 最小 | 典型 | 最大 | 单位 | 测试条件 |
| 阈值电流 | Ith | - | 8 | 15 | mA | CW |
| - | - | 50 | mA | CW,T=85℃ | ||
| 工作电压 | Vf | - | 1.2 | 1.5 | V | - |
| 光输出功率 | Pf | 2 | - | - | mW | CW, If=Ith+20mA |
| 中心波长可选 | λc | 1529 | 1532 | 1535 | nm | CW, Po= Pf |
| 上升/下降时间(20-80%) | Tr/Tf | - | 0.2 | 0.5 | nS | If=Ith, Po=Pf, 50 Ohm |
| 监测电流 | Im | 100 | - | 1000 | uA | CW,P0 = Pf |
| 电容 | C | - | 10 | 15 | PF | VRD=5V, f=1MHz |
| 暗电流 | Id | - | - | 100 | nA | VRD=5V |
| 光谱宽度(-3dB) | Δλ | - | 0.3 | 0.5 | nm | CW, If=Ith+20mA |
| 边坡效率 | SE | 0.1 | - | - | W/A | CW, If=Ith+20mA |
| 误差信号 | TE | -1.5 | - | 1.5 | dB | CW, Im=Constant & If=Ith+20mA |
| 边模抑制比 | SMSR | 30 | - | - | dB | CW, If=30mA |
| 光隔离 | Iso | 30 | - | - | dB | |
| TEC | Qmax | - | - | 0.6 | W | |
| Imax | - | - | 0.9 | A | ||
| Vmax | - | - | 1.2 | V | ||
| ΔT | - | 40 | K | |||
| 热敏电阻 | Rth | - | 9.9 | - | kΩ | |
| 相对强度噪声 | RIN | - | - | -130 | dB/Hz |
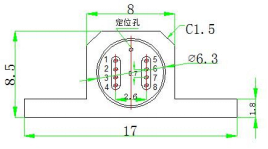
五、同轴激光器(1550nmTEC)LD引脚分配和机械尺寸




四川梓冠光电同轴激光器(1550nmTEC)订货信息
| 封装方式 | 连接器 | 激光器 | 发射波长 | 出纤功率 | LD 管脚 | 速率 | 隔离器 |
| P:尾纤型 | FA:FC/APC | D:DFB | 55:1532nm | 20:2.0mW | H:H 型 | 2:2.5G | G:带隔离 |