jc聚彩机械式D1X2光开关具有高可靠性、低插入损耗、快速响应、波长透明性、易于维护等特点,它允许在输入光纤和输出光纤之间进行信道选择。它被广泛应用于光网络保护、路由选择、光信号上下话路复用、光网络测试等领域。
三、机械式D1X2光开关的的技术参数
| 参数 | 单位 | 规格 |
| 波长 | nm | 1310±50 |
| 插入损耗(最大值) | dB | ≤0.8 |
| 回波损耗 | dB | ≥50 |
| 可重复性 | dB | ≤ 0.02 |
| 串扰 | dB | ≥50 |
| 偏振相关损耗 | dB | ≤ 0.05 |
| 温度相关损耗 | dB | ≤ 0.25 |
| 工作温度 | ℃ | -20~70 |
| 储存温度 | ℃ | -40~85 |
| 切换时间 | ms | ≤5 |
| 使用寿命 | Cycle | ≥107 |
| 光功率 | mw | ≤500 |
| 控制电压 | V | 3 or 5 |
| 光纤类型 | 单模,G657 | |
| 尾纤长度 | 1±0.05 M | |
| 连接器类型 | LC/APC | |
| 注意 | 1.损耗基于23℃、中心波长±50nm的测试结果。多频带增加0.2dB。 | |
| 2.重复性是在100次循环后定义的. | ||
| 3.不包括连接器,连接器的插入损耗增加0.2dB. | ||
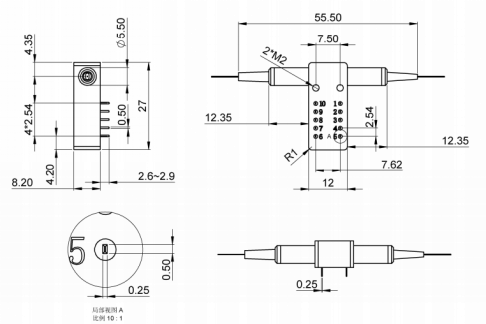
尺寸图

引脚定义

| Type | Status | Optical Path | Electric Drive | Status Sensor | ||||||
| D1x2 | Pin 1 | Pin 5 | Pin 6 | Pin 10 | Pin 2-3 | Pin 3-4 | Pin 7-8 | Pin 8-9 | ||
| Latching | A | C1→O1, C2→O2 | -- | -- | GND | V+ | Close | Open | Open | Close |
| B | C1→O3, C2→O4 | V+ | GND | -- | -- | Open | Close | Close | Open | |
| Non-Latching | A | C1→O1, C2→O2 | -- | -- | -- | -- | Close | Open | Open | Close |
| B | C1→O3, C2→O4 | V+ | -- | -- | GND | Open | Close | Close | Open | |
电流和电阻参数
| Specification | Voltage | Current | Resistance | |
| 5V | Latching | 4.5~5.5V | 36~44mA | 125Ω |
| 5V | Non-Latching | 4.5~5.5V | 26~32mA | 175Ω |
| 3V | Latching | 2.7~3.3V | 54~66mA | 50Ω |
| 3V | Non-Latching | 2.7~3.3V | 39~47mA | 70Ω |
四川梓冠光电机械式D1X2光开关订货信息
| A | B | C | D | E | F | G | H |
| Port type | Fiber Type | Control Voltage | Test Wavelength | Switch Type | Tube Type | Fiber Length | Connector |
| 1×1 1×2 2×2B 2x2F D1×2 D2×2B | G657A1 G657A2 OM1 62.5/125 OM2 50/125 Others | 3:3V 5:5V | 850:850nm 1310:1310nm 1550:1550nm 1315:1310&1550nm | L:Latching N:Non-Latchig | 25:250um 90:900um Others | 05:0.5m±5cm 10:1.0m±5cm 15:1.5m±5cm Others | OO: None FP: FC/PC FA: FC/APC SP: SC/PC SA: SC/APC LP: LC/PC LA: LC/APC X: Others |
| 注意事项 | 1.以上规格仅显示模块的典型性能。 | ||||||
| 2.请联系我们的销售人员讨论您的具体要求。 | |||||||
机械式D1X2光开关拓展资料
一、机械式D1X2光开关的工作原理
机械式D1X2光开关的工作原理主要依赖于光纤或光学元件的物理移动来改变光路。当控制信号作用于开关时,驱动机构会启动,推动光纤或光学元件移动,从而改变光信号的传输路径。具体来说,当输入端口接收到光信号时,机械式D1X2光开关会根据控制信号的要求,将光信号切换至指定的输出端口。这一过程中,光纤或光学元件的移动需要精确控制,以确保光信号的稳定传输和切换的准确性。
二、机械式D1X2光开关的应用范围
机械式D1X2光开关在光通信领域具有广泛的应用前景,具体体现在以下几个方面:
1、光网络保护:在光网络中,机械式D1X2光开关可用于实现光信号的快速切换和保护。当某条光路出现故障时,能够迅速将光信号切换到备用路径,确保网络的连续运行。这一特性在光网络自愈保护系统中尤为重要。
2、路由选择:机械式D1X2光开关可根据网络需求动态调整光信号的传输路径,实现光网络的灵活路由选择。这有助于提高网络的带宽利用率和灵活性,满足复杂多变的业务需求。
3、光信号上下话路复用:在光节点处,机械式D1X2光开关可用于实现光信号的上下话路复用(OADM)。通过精确控制光信号的切换,机械式D1X2光开关能够在光网络中动态地插入或提取特定波长的光信号,实现光网络的动态配置和优化。
4、光网络测试:在光网络测试和监控中,机械式D1X2光开关可用于对光网络进行在线监测和测试。通过切换光路,可以对光网络的性能进行实时监测和分析,确保网络的稳定性和可靠性。