1310nm单模蝶形激光器属于温控尾纤激光器系列,采用量子阱结构的DFB激光器,内置半导体制冷器,先进的激光焊接工艺实现蝶形(butterfly)尾纤式封装,结构紧凑,体积小,在光纤通信领域得到广泛应用;半导体制冷器高精度温度控制下,激光器功率高稳定、波长高稳定的优势,使得激光器在光纤传感器领域得到广泛应用。
1310nm单模蝶形激光器特性
• 采用进口量子阱结构DFB半导体激光器芯片
• 波长稳定
• 高输出功率
• 气密性温控封装
• 封装形式:BF14 尾纤式、TF8 空间式、TO39 及其他定制
1310nm单模蝶形激光器应用领域
• 光纤气体检测系统
• 气体检测用无源器件生产检测
额定极限工作条件
| 参数指标 | 符号 | 参数值 | 单位 |
| 激光二极管正向电流 | If(LD) | 100 | mA |
| 激光二极管反向电压 | Vr(LD) | 2 | V |
| 背光探测器工作电流 | If(PD) | 2 | mA |
| 背光探测器反向电压 | Vr(PD) | 20 | V |
| 致冷器工作电流 | ITEC | 2.4 | A |
| 致冷器工作电压 | VTEC | 2.9 | V |
| 工作温度 | Topr | -20~+70 | ℃ |
| 储存温度 | Tstg | -40~+85 | ℃ |
| 引线焊接温度/时间 | Tsld | 260/10 | ℃/s |
1310nm单模蝶形激光器技术参数:(测试环境温度为25℃)
| 参数指标 | 符号 | 测试条件 | 最小值 | 典型值 | 最大值 | 单位 |
| 出光功率 | PO | CW | 3 | 10 | mW | |
| 阈值电流 | Ith | CW | - | 12 | 18 | mA |
| 工作电流 | Iop | CW, 5mW | - | - | 100 | mA |
| 工作电压 | Vop | CW, 5mW | - | 1.5 | 2.0 | V |
| 斜率效率 | η | CW, 5mW | 0.05 | 0.1 | - | mW/mA |
| 峰值波长 | λp | CW, 5mW@25℃ | λc -1 | λc | λc+ 1 | nm |
| 波长稳定度 | λs | CW, 5mW@25℃ | -0.1nm | +0.1 | dB | |
| 边模抑制比 | SMSR | CW, 5mW | 35 | - | - | nm |
| 光谱宽度(20dB) | ∆λ | CW, 5mW | - | 0.2 | nm | |
| 波长随温度变化漂移系数 | Δλ/T | 稳定工作电流Steady | 0.1 | nm/℃ | ||
| 波长随电流变化漂移系数 | Δλ/T | 稳定工作温度Steady | 0.01 | nm/mA | ||
| 热敏电阻 | Rth | Ttherm = 25ºC | 9.5 | 10 | 10.5 | kΩ |
| 注意:气体检测中,根据HITRAN提供的吸收谱线数据,同一种气体通常几个吸收峰,客户应先根据自己的系统需要选择最佳中心波长位置。 | ||||||
气体吸收参考表
气体成分 吸收波长 O2 761nm、764nm (VCSEL) HF 1268.7nm、1273nm、1278nm H2O 1368.59nm、1392nm NH3 1512nm C2H2 1532.68nm CO 1567nm H2S 1578nm Co2 1580nm、2.0um C2H4 1620nm、1627nm CH4 1647nm、1650.9nm、1653.7nm、1660nm HCl 1742nm C2H6 1683nm、1640nm
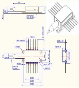
外形尺寸


四川梓冠光电1310nm单模蝶形激光器订货信息
| 波长 | 功率 | 尾纤长度 | 管脚定义 | 连接头形式 | 工作温度 |
| 可选或其他 | 3-10mW | 1M | S型或N型 | 0=None 1=FC/APC 2=FC/UPC 3=SC/APC 4=SC/PC | 23~25℃ |