jc聚彩

保偏机械式光衰减器
保偏机械式光衰减器具有高精度、偏振保持、稳定性强、易于调节、宽波长范围等特性,应用于光通信网络系统、光纤实验系统、光纤传感系统、光器件测试等领域。
详细信息

保偏机械式光衰减器

一、保偏机械式光衰减器的定义
保偏机械式光衰减器(Polarization-Maintaining Mechanical Variable Optical Attenuator,PM-MVOA)是一种专门设计用于保持光信号偏振态的光衰减器。它不仅能够实现对光功率的精确衰减,还能在衰减过程中保持光信号的偏振态不变,确保光信号在传输过程中的稳定性和可靠性。
二、保偏机械式光衰减器的特点
1、高精度:采用先进的机械调节技术和精密的光学设计,能够实现高精度的衰减量控制,满足不同应用场景的需求。
2、偏振保持:通过采用保偏光纤和特殊的耦合技术,确保在衰减过程中光信号的偏振态保持不变,提高系统的稳定性和可靠性。
3、稳定性强:无论是在恶劣的环境条件下,还是在长时间的使用过程中,保偏机械式光衰减器都能保持稳定的衰减性能。
4、易于调节:通常配备直观的操作界面和友好的人机交互设计,使用户能够轻松地进行光信号强度的调节。
5、宽波长范围:能够适应不同波长的光信号传输需求,提高系统的灵活性和兼容性。

三、保偏机械式光衰减器的技术参数

    参数指标
单位
最小值
典型值
最大值
    波长范围
nm
1260-1650nm or 980nm/1064nm
    衰减范围
dB
0

60
    衰减精度
dB
±0.2
    功率监控精度
dB
±0.15
    消光比dB≥18
    光功率
mW
500
    插入损耗
dB
1
    波长相关损耗
dB
1
    偏振相关损耗
dB
0.5
    工作温度范围
°C
-20

+65
    工作湿度范围
%


70
    尾纤接头类型

FC/APC, FC/UPC
    输入输出光纤类型

PM1550
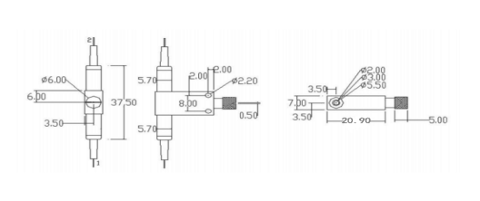
    尺寸
mm
20.90(L)×12(W)×7(H)

尺寸图

尺寸图


四川梓冠光电保偏机械式光衰减器订货信息

波长
衰减大小
尾纤套管直径
尾纤长度
连接头形式
13=1310nm
15=1550nm
10=1060nm
X=others
1=0~60dB
2=0~40dB
3=0~30dB
9=0.9mm
2=3mm
0=0.5m
1=1m
X=others
FC/APC
FC/UPC
LC/UPC  
LC/APC
SC/APC
SC/UPC


保偏机械式光衰减器拓展资料
一、保偏机械式光衰减器的工作原理
保偏机械式光衰减器的工作原理主要基于光的偏振特性和机械调节技术。它利用特定的光学材料和精密的机械结构,通过精确的机械调节,改变光信号在光纤中的传输路径,从而实现对光功率的衰减。同时,通过采用保偏光纤和特殊的耦合技术,确保在衰减过程中光信号的偏振态保持不变。
具体来说,保偏机械式光衰减器内部通常包含两个光纤准直器和一个可调节的衰减片。当光信号从输入光纤进入衰减器时,首先被第一个光纤准直器准直成平行光。然后,光信号通过衰减片,其强度被精确调节。最后,光信号被第二个光纤准直器重新耦合到输出光纤中。在整个过程中,由于采用了保偏光纤和特殊的耦合技术,光信号的偏振态得以保持不变。
二、保偏机械式光衰减器的应用范围
1、光通信网络系统:在光通信网络中,保偏机械式光衰减器可用于调节光信号的功率,保护光纤系统和设备免受过高光功率的损害。通过精确调节衰减量,可以确保光信号在传输过程中保持稳定的功率水平,从而提高系统的稳定性和可靠性。
2、光纤实验系统:在光纤实验系统中,保偏机械式光衰减器可用于模拟不同的光损耗条件,以评估系统的性能和动态范围。通过调节衰减量,可以模拟不同长度的光纤或不同类型的连接器引入的损耗,为实验提供准确的数据支持。
3、光纤传感系统:在光纤传感系统中,保偏机械式光衰减器可用于调节传感信号的强度,确保传感器能够准确接收并处理光信号。同时,由于其保持偏振态的特性,它可以确保传感信号的准确性和可靠性。
4、光器件测试:在光器件测试中,保偏机械式光衰减器可用于模拟实际工作环境中的光损耗条件,以测试光器件的性能。例如,在测试光开关、光放大器、光滤波器等器件时,可以使用保偏机械式光衰减器来模拟不同的输入光功率和损耗条件,从而评估器件的性能和稳定性。

返回列表
为您推荐
香港六玄开奖网-六玄网132432-六玄神马开奖44579-六玄公式6588777-六玄神马免费中特料-澳彩六玄网论坛6258cmcc 878cc彩票网 welcome如意彩|首页 澳门灵蛇网4949-香港灵蛇网论坛资料大全最新-灵蛇网4846cc最新版本更新内容-灵蛇网4668cc-灵蛇澳门2025年今晚看 祥顺彩票|主页 灵蛇澳门2025年今晚看-灵蛇网4846cc-灵蛇网免费资料大全--灵蛇网4846cc最新版本更新内容-澳门灵蛇网4949